เลเซอร์เซนเซอร์ ตรวจจับไกล รุ่น LS7

เซนเซอร์รุ่น LS7-400NP เป็น เลเซอร์เซนเซอร์แบบหัวเดียวไปกลับในตัว (Diffues type) ที่สามารถตรวจจับวัตถุได้ไกล ซึ่งสามารถตรวจจับสูงสุดได้ถึง 4 เมตร และใช้เทคโนโลยีตรวจจับแบบ Direct Time of Flight ซึ่งทำให้สามารถตรวจจับวัตถุได้เสถียรและแม่นยำ โดยสีของวัตถุไม่ส่งผลต่อการตรวจจับ และรองรับการใช้งานได้ทั้ง NPN และ PNP ในตัวเดียว ขนาดกะทัดรัด แข็งแรง ทนทาน
คุณสมบัติ เลเซอร์เซนเซอร์ ตรวจจับไกล รุ่น LS7

1. เทคโนโลยี Time of Flight
เลเซอร์ รุ่น LS7-400NP
ด้วยการใช้เทคโนโลยี Time of Flight ซึ่งใช้การวัดระยะเวลาการเคลื่อนที่ของแสงเลเซอร์ที่ยิงออกไปและกระทบวัตถุกลับมา และคำนวณเป็นระยะทางการตรวจจับ จึงทำให้การตรวจจับได้อย่างแม่นยำ และสีของวัตถุไม่ส่งผลต่อการตรวจจับ

เลเซอร์เซนเซอร์ทั่วไป
หลักการทำงานของเลเซอร์เซนเซอร์ทั่วไปใช้การยิงแสงเลเซอร์ออกไปกระทบวัตถถุและตรวจจับปริมาณของแสงเลเซอร์ที่สะท้อนกลับมา ซึ่งทำให้เมื่อตรวจจับวัตถุที่มีสีพื้นผิวทึบหรือสะท้อนแสงได้ไม่ดี ส่งผลต่อการตรวจจับ และไม่สามารถตรวจจับวัตถุระยะไกลไม่ได้มากนัก

2. ตรวจจับไกลสูงสุด 4 เมตร
เลเซอร์เซนเซอร์ รุ่น LS7-400NP สามารถตรวจจับได้ไกลสูงสุดถึง 4 เมตร ด้วยการใช้เทคโนโลยี ToF จึงทำให้ตรวจจับระยะได้อย่างแม่นยำและเสถียรทุกระยะการตรวจจับ

3. โครงสร้างแข็งแรงทนทาน
แข็งแรง ทนทาน ด้วยโครงสร้างแบบอลูมิเนียมอัลลอย พร้อมกันน้ำ กันฝุ่นระดับการป้องกันระดับ IP67
ข้อมูลจำเพาะ เลเซอร์เซนเซอร์ ตรวจจับไกล รุ่น LS7
รุ่น | LS7-400NP | |
การตรวจจับ | ตรวจจับแบบหัวเดียวไปกลับในตัว | |
ระยะตรวจจับ | 0.05 - 4m | |
ความแม่นยำ | +/- 5cm | |
ความเร็วตอบสนอง | 10 msec | |
แหล่งกำเนิดแสง | ความยาวคลื่น | 660nm |
คลาสเลเซอร์ | Class 2 | |
ขนาดลำแสง | ~ Ø5mm (ทีระยะ 2m) | |
แรงดันไฟฟ้าใช้งาน | 12 - 24Vdc ±10% | |
การทำงานของเอาท์พุท | NPN (max.100mA at 30VDC) / L.on or D.on | |
อุณหภูมิแวดล้อม | -20℃ ~ + 55℃ (ไม่กลั่นตัวเป็นหยดน้ำ) | |
ความชื้นแวดล้อม | 0% ~ 85% RH | |
แสงสว่างแวดล้อมสูงสุด | 5,000lux | |
ระดับการป้องกัน | IP67 | |
วัสดุ | วัสดุตัวเครื่อง: อลูมิเนียมอัลลอย์ ,เลนส์: PMMA, สายไฟ PVC | |
การเชื่อมต่อสาย | แกน 0.2sqm x 2 เมตร / 4 เส้น | |
น้ำหนัก | 60 กรัม |
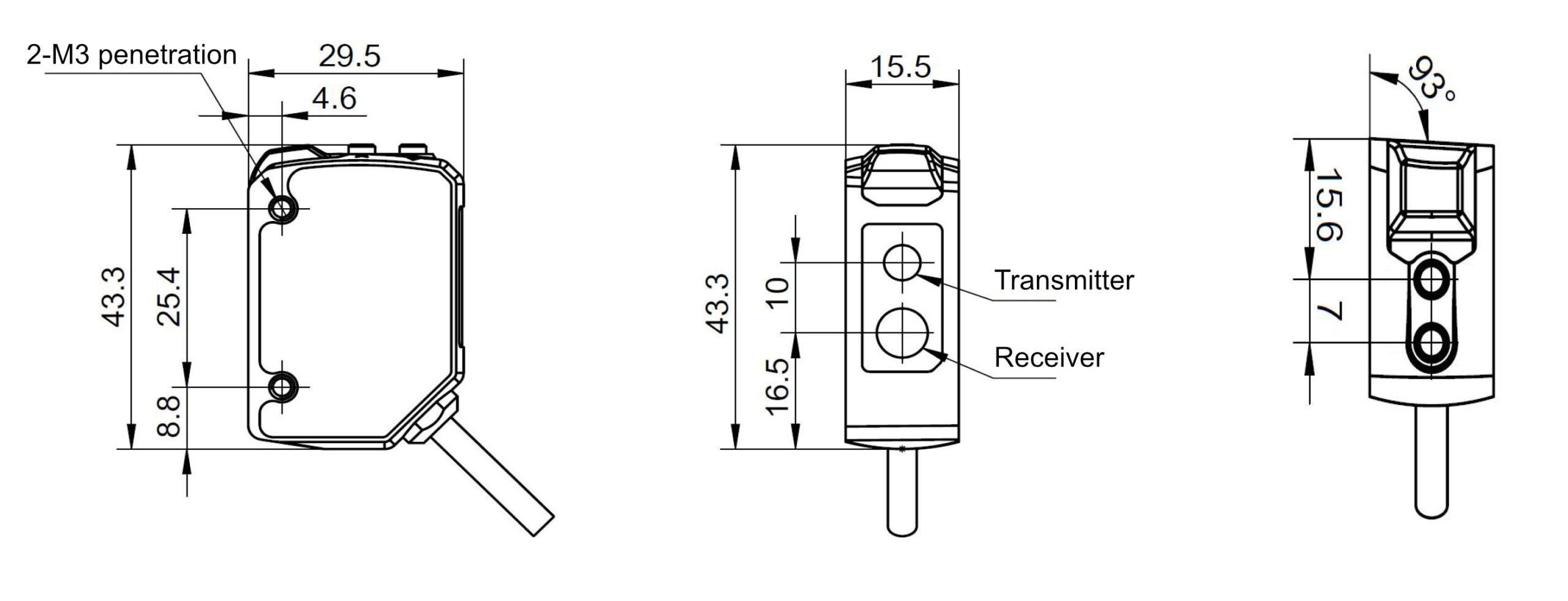
ขนาด

เอาท์พุทเชื่อมต่อ
